首页
关于皖液
About WANY
皖液介绍
研发团队
质量团队
生产能力
资质荣誉
公司刊物样本
产品中心
chanpinzhongxin
铝合金齿轮泵
铝合金齿轮泵单泵
Premit-CBT-F316
了解详细
我要询价
铝合金齿轮泵双联泵
CBTL3/3系列
了解详细
我要询价
铝合金齿轮泵多联泵
CBYLW系列
了解详细
我要询价
铸铁齿轮泵
铸铁齿轮泵单泵
CBHZA系列
了解详细
我要询价
铸铁齿轮泵双联泵
CBGJL3系列
了解详细
我要询价
铸铁齿轮泵多联泵
CBGJSL系列
了解详细
我要询价
挖机专用油泵
CBXW09/K3SP36C
了解详细
我要询价
内啮合齿轮泵
WNB-TH2系列
了解详细
我要询价
铝合金齿轮马达
CMF-*5系列
了解详细
我要询价
同步马达
LFMD系列同步马达
了解详细
我要询价
动力单元
DPU6530K动力单元
了解详细
我要询价
斜齿齿轮泵
XCB4/XCB1双联斜齿泵
了解详细
我要询价
圆弧斜齿泵
YCB6系列
了解详细
我要询价
新闻中心
News center
皖液新闻
行业资讯
市场活动
通知公告
人才发展
Talent development
社会招聘
校园招聘
销售与服务
Sales and Service
国内服务团队
国外服务团队
联系我们
中文
中文
English
Русский язык
产品中心
当前位置:
首页
>
产品中心
>
挖机专用油泵
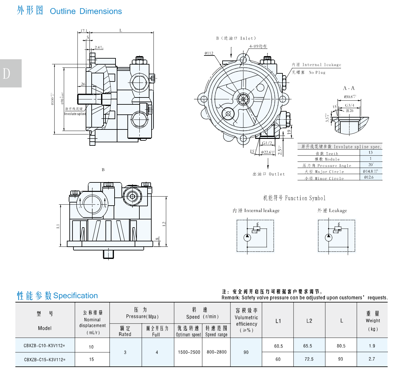
CBXZB-K3V112
CBXZB-K3V112
我要询价
我要询价
查看服务网点
在线订购
产品详情
产品参数
在线留言
姓名
*
电子邮箱
*
电话号码
*
公司名称
*
留言
*
提交您的信息即表示您同意通过电子邮件和/或短信接收通信。您可以随时选择退出。
联系我们