产品中心

CBTSLA

CBTSLA三联齿轮油泵(0.5T~2T微型挖掘机)
我要询价
产品详情

截屏2025-03-31 15.09.09.png

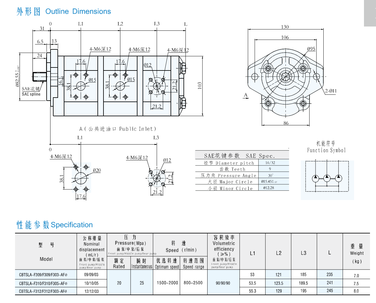
产品参数

截屏2025-03-31 15.09.16.png

在线留言
提交您的信息即表示您同意通过电子邮件和/或短信接收通信。您可以随时选择退出。

联系我们